string(4) "3208"

Горелка РГМГ-2М в Кургане

Версия
для печати
Товар отсутствуетИзготовление под заказ! Цена по запросу.
Получите скидку
у менеджера
Цена на горелка РГМГ-2М с доставкой от 0 рублей с НДС
Доставка ТК в г. Курган и по России
Безналичный расчет
Опросный лист
  • Технические
    характеристики
  • Описание
    товара
  • Отзывы о
    продукции

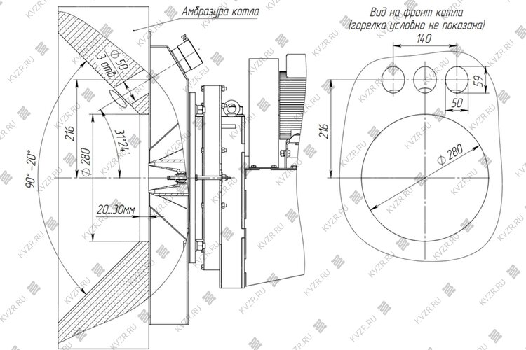
Технические характеристики горелки РГМГ-2М

Бренд Отечественная горелка
Тип РГМГ-2М
Топливо Мазут, Дизель, Газ
Номинальная тепловая мощность, МВт 2.2 (+0.22; -0.11)
Коэффициент рабочего регулирования, не менее 4
Номинальное разрежение в камере горения (топке), Па 20 (±20)
Номинальное давление газа перед горелкой, кПа 3.15 ± 0.63
Присоединительное давление топлива мазут / легкое жидкое топливо, МПа 0.2 (±0.04) / 0.04 (±0.02)
Номинальный расход жидкого топлива при Qc =40,53 МДж/кг (9680 ккал/кг), кг/ч 196
Номинальный расход природного газа при Qpн = 33,3 МДж/м3 (7960 ккал/м3), м³/ч 238
Температура газа перед горелкой, °С 0-40
Температура воздуха перед горелкой, °С 10-40
Номинальное давление первичного (распыливающего) воздуха, кПа 5 (±0.5)
Кинематическая вязкость жидкого топлива перед горелкой, мазута / легкого жидкого топлива, мм²/с 44/8
Минимальный коэффициент избытка воздуха при сжигании жидкого топлива в номинальном режиме, не более 1.2
Длина факела при номинальной мощности, не более, м 2.5
Номинальное напряжение питания, 3 фазы, (50 Гц), В 380
Габаритные размеры: длина*ширина*высота, мм 696х744х886
Масса, кг 120

Горелка РГМГ-2М в Кургане

Газомазутная горелка РГМГ-2М предназначена для сжигания различных видов газового и жидкого топлива - природного газа, мазута, нефти, легкого жидкого топлива, а также дизельного, печного бытового топлива в топках котлов соответствующей тепловой мощности.

Гарантийный срок эксплуатации – 12 месяцев со дня ввода горелки в эксплуатацию, но не более 18 месяцев со дня отгрузки с предприятия-изготовителя при соблюдении потребителем условий эксплуатации, транспортирования и хранения.

Вся продукция завода сертифицирована и соответствует Техническому регламенту Таможенного союза (ТР ТС 010/2011).

На поставленную продукцию поставщик предоставляет паспорт, руководство по эксплуатации, копию сертификата соответствия, заверенную заводом изготовителем.

Купить горелку РГМГ-2м

Для того чтобы купить горелку РГМГ 2М в Кургане, вы можете сделать заявку в отдел сбыта по телефону (38-52) 29-97-41 (42), либо оформить заявку онлайн. Наши менеджеры дадут консультацию по подбору вспомогательного оборудования для выбранных вами моделей и рассчитают стоимость доставки до вашего региона и населенного пункта.

Дополнительные услуги

Отзывы о продукции

Отзыва о товаре пока нет, будьте первыми!

Вопрос-ответ

  • Технические
    характеристики
  • Описание
    товара
  • Отзывы о
    продукции
Документы завода
  • Сертификаты завода
  • Членство в СРО
  • Аттестованная технология сварки
  • Патенты на котельное оборудование
  • Товарные знаки
Смотреть все документы
Сертификат на водогрейные котлы на твердом и жидком топливе
Сертификат на водогрейные котлы на газе и жидком топливе
Сертификат на котлы отопительные паровые КП
Сертификат на топки
Сертификат на щиты управления
Сертификат на скиповые подъемники
Сертификат на золоуловители (циклоны)
Сертификат на конвейеры скребковые
Сертификат на дробилки
Сертификат на клапаны предохранительные
Сертификат на бункер-накопитель механизированный
Сертификат на автоматику газовых горелок
Сертификат о происхождении товара форма СТ-1
Членство в СРО
Членство в СРО
Аттестованная технология сварки
Свидетельство аттестованной технологии сварки
Патент на отопительный котел
Патент на водогрейный котел
Патент на топку водогрейного котла
Патент на водогрейный газовый котел
Патент на водогрейный котел
Патент на топочное устройство твердотопливного котла
Патент на водогрейный котел
HEATEXPERT товарный знак
KVZR товарный знак
STEAMEXPERT товарный знак
Другая похожая продукция
Вы просматривали эти товары
Цена по запросу
Котел на опилках
Лизинг
Вид топкиВихревая, Автоматическая
Максимальная тепловая мощность, кВт200
ТопливоОпилки
Отапливаемая площадь, м²1200-2200
1 364 000 р. Цена с НДС
Парогенератор 1500 кг пара на дизеле
Лизинг
Производительность, кг/ч1500
ТопливоЖидкое, Дизель
Температура пара, не более, °C115
Давление пара, не более, МПа0.07
1 260 000 р. Цена с НДС
Котел 250 кВт газовый
Вид топкиГазовая горелка
Максимальная тепловая мощность, МВт0.25
ТопливоГаз
Отапливаемая площадь, м²1500-2600
380 000 р. Цена с НДС
background